Ваш город:
Москва
Выберите город
✕
Ваш город Москва?
Да
Нет
г. Москва: +7 (495) 662-40-14
sales@amitron-ek.ru
г. Симферополь: +7 (3652) 788-277
05@amitron-ek.ru
Представительства
Поставки компонентов
для промышленной автоматизации,
электротехники, энергетики, КИПиА
О компании
Новости
Акции
О компании
Партнёры
Вакансии
Как заказать
Оплата и доставка
Контакты
Каталог
товаров
Амитрон
ОВЕН
Autonics Corporation (Корея)
Lovato Electric (Италия)
LANBAO
Delta Electronics, Inc
OPTIMUS DRIVE
MUCCO
Shenler
XINJE
EMAS (Турция)
FOTEK
Kinco
NUCON
ZEZ Silko
Hydra Components
SFERE Elecnova (Китай)
Phoenix Contact (Германия)
Weidmuller (Германия)
Weintek (Тайвань)
ENDA
LSIS
SINGA
CONTACLIP
DIN - рейки
Mean Well - Источники питания
MOXA - Неуправляемые коммутаторы Ethernet
Датчики уровня INNOLEVEL
Клеммники RAAD
Клеммники T-Block
Кабельные наконечники/стяжки
Муфты для энкодеров SRB-22C
Реле разных производителей
Колодки и клипсы для реле
Клипсы
Колодки для монтажа на DIN-рейку
Колодки для печатных плат и монтажа на панель
Маркировка
Модули защиты для реле
Промежуточные реле
Реле промежуточные 10A, 2C (широкие выводы)
Реле промежуточные 10А 2С (узкие выводы)
Реле промежуточные 10А 3С - цокольный тип 8 pin
Реле промежуточные 10А 4С
Реле промежуточные 25-30А 2С,3С
Реле промежуточные 5А 4С
Реле промежуточные 8A 2C
Реле автомобильные
Реле герконовые
Реле мощные
Реле общего назначения
Реле сигнальные
Реле электромеханические LOVATO Electric серии HR..
IGBT, Тиристорные, диодные модули
MDC.MTC.MFC-двойной тиристор/диодный модуль
Диодные модули
Модули IGBT
Тиристорные модули
Транзисторные модули
FINDER - распродажа остатков
Контакторы серии CNNK
Разное
Датчики, преобразователи
Аксессуары к датчикам давления
Аксессуары к датчикам температуры
Аксессуары к датчикам уровня
Барьеры искрозащиты
Бесконтактные датчики KIPPRIBOR
Бесконтактные индуктивные датчики KIPPRIBOR
Емкостные бесконтактные датчики KIPPRIBOR
Магнитные датчики KIPPRIBOR
Оптические датчики KIPPRIBOR
Оптоволоконные усилители KIPPRIBOR
Бесконтатные датчики - Мега-К
Датчики влажности и температуры воздуха
Датчики газа
Датчики Температуры
Датчики температуры специализированные
Термометры сопротивления взрывозащищенные
Термометры сопротивления общепромышленные
Термопары общепромышленные
Термосопротивления с цифровым интерфейсом RS-485
Датчики уровня
Измерение уровня ОВЕН
Сигнализация уровня ОВЕН
Кабели-разъёмы ОВЕН
Нормирующие преобразователи
Преобразователи давления
Интеллектуальные датчики давления
Датчики давления в общепромышленном исполнении
Реле давления
Специализированные датчики давления
Контрольно-измерительные приборы
для Водоподготовки
Анализаторы жидкости
Архиваторы, регистраторы ОВЕН
Для ГВС, отопления, вентиляции и котельных
Управление вентиляцией
Управление котельными
Управление отоплением и ГВС
Для холодильного оборудования
Для электрических сетей
Дополнительные устройства, приборы ОВЕН
Измерители-регуляторы
Измерители-индикаторы ОВЕН
ПИД-регуляторы ОВЕН
Регуляторы с двухпозиционным управлением ОВЕН
Регуляторы с пошаговыми программами технолога
Контроллеры для управления насосами САУ
Для управления насосами
Ручные задатчики сигналов
Счетчики, таймеры, тахометры ОВЕН
Программируемые устройства
Модули ввода/вывода
Мх110 модули ввода/вывода с интерфейсом RS-485
Мх210 модули ввода/вывода с интерфейсом Ethernet
Панели оператора
Индикаторы
Кнопочные панели оператора
Сенсорные панели оператора
Программируемые логические контроллеры ОВЕН
Аксессуары для ПЛК и модулей ОВЕН
Контроллеры для малых и средних систем автоматизации
Контроллеры с возможностью резервирования
Контроллеры для средних и распределенных систем
Программируемые реле ОВЕН
Программное обеспечение, устройства связи
OwenCloud
SCADA системы
Устройства связи
Аксессуары
Модемы и аксессуары
Преобразователи интерфейсов и протоколов
Промышленные коммутаторы
Силовые и коммутационные устройства
Блоки питания ОВЕН
Дроссели ОВЕН
Микроклимат для шкафов управления
Преобразователи частоты
Приборы для индикации и управления задвижками
Промежуточные реле и аксессуары KIPPRIBOR
Регуляторы мощности ОВЕН
Твердотельные реле и радиаторы к ним KIPPRIBOR
Твердотельные реле Протон-Импульс
Тормозные резисторы ОВЕН
Устройства коммутации ОВЕН
Шаговые приводы
Устройства контроля и защиты
Устройства плавного пуска
Электротехническое оборудование MEYERTEC
Релейная Автоматика MEYERTEC
DIN-рейки
Кабельные вводы MEYERTEC
Аксессуары
Джойстики MEYERTEC
Клеммы на DIN-рейку MEYERTEC
Концевые выключатели MEYERTEC
Микроклимат MEYERTEC
Посты кнопочные MEYERTEC
Приводная техника
Потенциометры MEYERTEC
Светосигнальные колонны d=45 мм MEYERTEC
Сигнальные устройства MEYERTEC
Термостаты для вентиляторов и нагревателей
Устройства управления MEYERTEC
Цифровые индикаторы
Автоматизация процессов
DPU Тиристорные блоки питания
DPUS Тиристорные блоки питания
Многофункциональные индикаторы серии KN
KN-1000B Столбчатые цифровые индикаторы
KN-2000W Многофункциональные цифровые индикаторы
Преобразователи давления
TPS30 Универсальный преобразователь давления в корпусе из нержавеющей стали
Преобразователи с гальванической развязкой серии CN-6000
Преобразователи температуры
KT-502H Интеллектуальные преобразователи температуры, взрывозащищенные
Регистраторы данных
KRN100 Гибридный регистратор данных
KRN1000 Безбумажные регистраторы с сенсорным ЖК-дисплеем
KRN50 Гибридный регистратор данных
Аксессуары для регистраторов
Цифровые контроллеры
KPN Высокопроизводительные и высокоточные контроллеры технологического процесса
Датчики/Контроллеры датчиков
Аксессуары для датчиков, фотодатчиков
Защитная облочка соединения датчика приближения (металл) Ур. защиты IP67 (Waterproof Cover)
Защитная облочка соединения датчика приближения (силикон). Ур. защиты не соответсвует IP67
Защитная оболочка для оптоволоконного кабеля (металл) (Protecting Tube For Fiber Optic Cable)
Кронштейн для монтажа барьерного фотодатчика (BWPK BRACKET)
Кронштейн для монтажа датчика давления PSA (Pressure Panel Bracket, Pressure Protection Cover)
Кронштейны для датчиков
Крышки
Линзы фокусирующие и увеличивающие расстояние срабатывания оптоволоконного фотодатчика For Fib
Отражатель для фотодатчика (Mirror)
Разъемы для датчиков
Распределительные коробки для датчиков приближения (Junction Box)
Розетка для фотодатчика BS5 (Connector for BS5)
Соединительный кабель с разъёмами Autonics
Датчики давления (Pressure sensor)
PSA/PSB серии
PSAN серия
PSQ Серия
PSS Компактные аналоговые датчики давления
Датчики открывания дверей/барьерные фотодатчики (Door/Area sensor)
ADS Серия - Инфракрасные датчики контроля проёма
BW Серия - Инфракрасный многолучевой барьер безопасности в металлическом корпусе
BWC -оптические барьеры с функцей подавления влияния окружающего света
BWP/BWPK Серия - Инфракрасные многолучевые барьеры безопасности в пластиковом корпусе
SFL серия
Дверной датчик (переключатель) безопасности
Датчики приближения ЕМКОСТНЫЕ (Proximity Sensor)
CR Серия
Датчики приближения ИНДУКТИВНЫЕ(Proximity Sensor)
AS Серия - Четырёхпроводные, в прямоугольном корпусе с большой рабочей зоной
PET18-5 Серия - Передатчик замкнутого состояния. 2 провода
PFI Серия - В тонком прямоугольном корпусе
PR Серия - Цилиндрической формы, стандартный корпус
PRA Серия - Для дуговой сварки 3 провода
PRACM - Цилиндрические брызгозащищенные датчики с разъемом
PRAWT Серия. Брызгозащищенное соединение кабеля
PRCM Серия - Цилиндрической формы 3 провода
PRD Серия - Увеличенная зона срабатывания 3 провода
PRDACM - Цилиндрические брызгозащищенные датчики с разъемом, увеличенное расстояние срабатывания
PRDAT - брызгоустойчивые и способные осуществлять считывание на большом расстоянии
PRDCM - увеличенное расстояние срабатывание, с разъемом
PRDT Серия. Увеличенная дистанция срабатывания. С кабелем
PRDW Серия - Увеличенная дистанция срабатывания. Соединение для кабеля.
PRDWT Увеличенная дистанция срабатывания. Разъем для подсоединения кабеля.
PRF Серия - Индуктивные датчики приближения в цельнометаллическом цилиндрическом корпусе (с кабелем)
PRFA Серия - Брызгозащищенные, в цельнометаллическом цилиндрическом корпусе, с кабелем
PRFAW серия - Брызгозащищенные, в цельнометаллическом цилиндрическом корпусе, с кабельным разъемом
PRFW Серия - В цельнометаллическом цилиндрическом корпусе, с кабельным разъемом
PRL Серия - Индуктивные датчики, в удлиненном корпусе
PRS12 Серия - Индуктивные датчики, короткий корпус 35 мм. 3 провода
PRT Серия. В стандартном корпусе. 2 провода
PRW Серия 3 провода
PS/PSN Серия - В прямоугольном корпусе 3 провода
PRFD Индуктивные датчики 2-х проводные, с тефлоновым покрытием.
PRFDAWT Индуктивные датчики 2-х проводные, с тефлоновым покрытием с какбелем 20 см и разъемм
Контроллеры датчиков (Sensor Controller)
PA серия
Оптоволоконные датчики (Fiber optic sensor)
BF5/4/3 Серия - Усилитель к оптоволоконным датчикам, обучаемый датчик цветной метки
BFC серия
FD/FT Серии - Оптоволоконный кабель
GT серия - Оптоволоконный кабель
Фотодатчики (Photoelectric sensor)
BA Серия - Фото датчик диффузный с увеличенной дистанцией срабатывания
BC15 - Датчики цветовых меток
BEN Серия - Фотодатчик компактный
BH Фотоэлектрические датчики M18 для монтажа на переднюю/боковую поверхность
BJ Серия - Компактные фотодатчики с большой дистанцией срабатывания
BJP Серия - Компактные фотодатчики для обнаружения печатных плат
BJR Серия - Маслостойкие/маслонепроницаемые фотоэлектрические датчики
BJX Серия - Компактные фотоэлектрические датчики с большим расстоянием срабатывания
BL Серия - Датчики уровня жидкости
BM Серия - Фотодатчик компактный
BMS Серия - Фотодатчик c высокой частотой срабатывания
BPS Серия - Фотодатчик компактный
BR, BRQ Серии - Фотодатчики цилиндрического типа
BS5 Серия - Миниатюрные фотодатчики
BTF Серия
BTS Серия - Ультратонкие датчики со встроенным усилителем
BUP Серия - Фотодатчики подковообразной формы
BX Серия - Фотодатчики
BY Серия - Двухкомпонентные фотодатчики синхронизируемого типа
BYD Серия - Фотодатчик диффузный
MU - серия. Магнитные датчики приближения
Датчики смещения
BD - Лазерные датчики смещения
Лазерные сканеры / Лидары
Ультразвуковые датчики Autonics
Источники питания стабилизированные (Switching power supply)
SP Серия
SPA серия
SPB Серия
Разъемы для таймеров и контроллеров
Разъемы/Кабели с разъемом для датчиков
CNE -разъемы для датчиков
Кабели Autonics
CJ Серия
CLDH Серия
Модули ввода-вывода
AFL/AFR - интерфейсные модули ввода-вывода
AFS - интерфейсные модули ввода-вывода для ПЛК с разъемами и специальных устройств управления
Светосигнальные колонны и лампы
Аксессуары и запасные части для сигнальных колонн MAB, MAL
Звуковые оповещатели
MQV Серия - электронные многотональные динамики в квадратном корпусе 95 мм
MSP Звуковые оповещатели
MW86M 3-х цветная светодиодная сигнальная лампа, со звуковым блоком, настенный монтаж
MW86N Сирена, D=86 мм, 3 мелодии, настенный монтаж
MW86T, Сигнальная лампа D=86 мм, встроенный звуковой модуль, настенный монтаж
Колонны светодиодные
ML8 Светодиодные сигнальные колонны в алюминиевом корпусе, d=86мм
MP8 Светодиодные сигнальные колонны, большой пластиковый корпус 86 мм
MSGT Светодиодные сигнальные колонны в квадратном корпусе, 5 звуковых сигналов
PL4 Сигнальная светодиодная колонна D=45 мм
PLD Сверхтонкие светодиодные сигнальные колонны диаметром 25 мм
PME Светодиодная сигнальная колонна диаметр 45 мм
PTD Светодиодная сигнальная колонна, куполообразный плафон, диаметр 56 мм
PTE Светодиодная сигнальная колонна, диаметр 56 мм
PTM Трехцветная светодиодная сигнальная колонна, диаметр 56 мм
Колонны сигнальные с лампами накаливания
MSGS Вращающаяся маячковая колонна с лампами накаливания и звуковым блоком
MT4B/5B/8B Сигнальные колонны диаметр 45/56/86 мм с лампами накаливания
MT5C/8C Сигнальная колонна диаметром 56/86 мм с лампами накаливания
PLG - Световые колонны D=45мм
PR Сигнальная колонна с лампами накаливания, D=56 mm
PS Сигнальная колонна с лампами накаливания, D=45 mm
SL Вращающиеся сигнальные колонны для одновременной передачи нескольких световых сигналов, 86 мм
Маячки с лампами накаливания или ксеноновыми лампами
ASG/APG Маячок проблесковый, d=86мм
AVG Маячок проблесковый, d=135мм
ML Миниатюрные проблесковые маячки, d=66 мм
MS115S Ксеноновые сигнальные лампы, d=115мм
MS86S Стробоскопические ксеноновые лампы, диаметр 86 мм
Маячки светодиодные
MS115C Сигнальные лампы только с режимом мигающего свечения, d=115 мм
MS115L Светодиодные сигнальные лампы, постоянное и мигающее свечение, d=115мм
MS115M Трехцветная светодиодная стробоскопическая сигнальная лампа, d=115 мм
MS115T Многофункциональная светодиодная сигнальная лампа, постоянное /мигающее свечение или маячок
MS135T Светодиодные сигнальные светильники большого размера, d=135 мм
MS56L Куполовидная светодиодная сигнальная лампа, d=56мм
MS56M Многоцветные светодиодные сигнальные лампы с куполообразным плафоном, d=56 мм
MS66G/M/P Куполовидная светодиодная сигнальная лампа, d=66 мм
MS70LT Светодиодные стробоскопические светильники, мигающее свечение, d=86мм
MS86L Светодиодные сигнальные лампы, постоянное и мигающее свечение, d=86мм
MS86M Трехцветная светодиодная стробоскопическая сигнальная лампа, d=86 мм
MS86T Многофункциональная светодиодная сигнальная лампа, пост./мигающее свечение или маячок, 86 мм
MS86W Низкопрофильная светодиодная сигнальная лампа, постоянное/мигающее свечение или маячок, 86 мм
Плафоны для сигнальных ламп
Светильники сигнальные
MQVL Светодиодные сигнальные светильники в квадратном корпусе 95 мм
MQVM Многоцветные светодиодные сигнальные светильники в квадратном корпусе 95 мм
MWE, Сигнальная лампа, D=90мм, полукруглая, настенный монтаж
MWET Многоцветный сигнальный светильник для настенного монтажа (один плафон), d=90 мм
PWE Компактная светодиодная сигнальная лампа, настенное крепление
Сетевые устройства (Field network device)
SCM Серия - Конвертеры
Счетчики импульсов (Pulse Meter)
LA8N Серия. Счетчик - индикатор с ЖК дисплеем.
LR5N-B Серия - Компактный счетчик импульсов c ЖК дисплеем
MP5S/MP5Y/MP5W/MP5M Серии - Счетчики импульсов
Счетчики/Таймеры (Counter/Timer)
CTY/CTS/CTM Серии. (Программируемые на 1-2 выхода.)
F/L Серии (Cчетчики прямого и обратного счета)
FM/LM Серии (Cчетчики прямого и обратного счета)
FS Серия. (8-pin подключение)
FX Серия. (Счетчики/Таймеры прямого и обратного счета)
Серия CX
Таймеры (Timer)
AT8PSN/AT8PMN Твердотельный таймер, запуск по выключении питания
AT8SDN Таймер "звезда-треугольник"
ATE Твердотельный таймер с задержкой включения
ATE8 Аналоговые таймеры
ATM4 Миниатюрный таймер
ATN Многофункциональный таймер, универсальное питание
ATS Многофункциональный таймер, несколько режимов питания
ATS8W, ATS11W - Компактные сдвоенные таймеры с универсальным питанием
FSE Серия 8-pin подключение
LE3S/LE4S Серия с LCD дисплеем
LE7M-2 /LE365S-41 Недельный/Годовой таймер с LCD дисплеем
LE8N Таймер - индикатор с ЖК дисплеем
Аксессуары для таймеров
Твердотельные реле и регуляторы мощности (SSR/Power controller)
SPC Серия - 1-фазные регуляторы мощности 220VAC
SR1 Серия -Твердотельные реле (обычный тип)
SR2/3 серия - Трехфазные твердотельные реле со съемным типом радиатора
SRC1 Серия -Компактные твердотельные реле
SRH1 Серия - 1 фазные твердотельные реле с встр. радиатором
SRH2/3 серия - Трехфазные твердотельные реле со встроенным радиатором
SRS1 Серия - 1-фазные маломощные твердотельные реле с разъёмом
SRHL1
Температурные контроллеры Autonics
T3HA/T3HS/T4MA/T4LA Серии с аварийным выходом и механической уставкой
T3NI/T4YI/T4WI/T3SI/T3HI/T4MI/T4LI - Температурные индикаторы
T3S/T3H/T4M/T4L Серии - стандартный тип с механической уставкой
T4LP - Высокоточные контроллеры с двойной механической уставкой
T4WM -Температурный индикатор с 5-ю точками входа
TAS/TAM/TAL Новая серия - Аналоговые контроллеры с круговой шкалой
TB42 Серия - Безкорпусные контроллеры
TC3YF - Серия для холодильных установок
TC3YT - Простая экономичная серия
TD Серия - Механическая уставка, аналоговый выход
TF3 серия - Температурные контроллеры для холодильных установок
THD Серия - Датчики температуры и влажности (с дисплеем/без дисплея)
TK - Высокопроизводительные температурные контроллеры с PID-регулированием
TM Серия - Многоканальные модульные температурные контроллеры
TMH Серия - Многоканальные модульные температурные контроллеры
TX Новая серия - Температурные контроллеры с ЖК дисплеем и ПИД-регулятором
TZ/TZN Серии c двойной функцией автонастройки PID-регулирования
TС Экономичная серия с одним дисплеем
TСN - Экономичные температурные контроллеры с двойным дисплеем и ПИД-регулятором
Аксессуары для температурных контроллеров
Термодатчики
Температурные датчики типа CA(K), IC(J) - Термопары
Температурные датчики типа PT100 (Термосопротивления)
TNL серия температурных контроллеров, настройка по шагам Autonics.
TR - Компактные температурные ПИД-контроллеры с одним дисплеем
Техническое зрение
Аксессуары для датчиков технического зрения VG
Крепежные пластины и вспомогательный инструмент для датчиков технического зрения серии VG
Подсветка для датчиков технического зрения серии VG
Цветные и поляризационные фильтры для датчиков технического зрения серии VG
Датчики технического зрения серии VG (монохромные)
Датчики технического зрения серии VG (цветные)
Устройства управления и сигнализации Autonics
Кнопки, переключатели, монтажное отверстие 16 мм
L16RR Круглые сигнальные лампы, 16 мм
L16RRS Квадратные сигнальные лампы, 16 мм
L16RRT Прямоугольные сигнальные лампы, 16 мм
S16BR Грибовидные кнопки, 16 мм
S16ER Кнопки аварийного отключения, 16 мм
S16KR Селекторные переключатели с ключом, круглые, 16 мм
S16KRS Селекторные переключатели с ключом, квадратные, 16 мм
S16KRT Селекторные переключатели с ключом, прямоугольные, 16 мм
S16PR Кнопочные выключатели, круглые, 16 мм
S16PRS Кнопочные выключатели, квадратные, 16 мм
S16PRT Кнопочные выключатели, прямоугольные, 16 мм
S16SR Селекторные переключатели, круглые, 16 мм
S16SRS Селекторные переключатели, квадратные, 16 мм
S16SRT Селекторные переключатели, прямоугольные, 16 мм
Принадлежности для кнопок и переключателей 16 мм
Кнопки, переключатели, монтажное отверстие 22/25 мм
L2RR-L1 Контрольные лампы, куполообразный плафон, диаметр 22/25 мм
L2RR-L2 Контрольные лампы, конусовидный плафон, диаметр 22/25 мм
L2RR-L3 Контрольные лампы, плоский плафон, диаметр 22/25 мм
L2RR-L4 Контрольные лампы, квадратный плоский плафон, выступающие
S2BR-P1 Пусковые кнопочные выключатели, выступающий тип
S2ER Грибовидные кнопки, диаметр 22/25 мм
S2KR Селекторные переключатели с ключом, диаметр 22/25 мм
S2PR-E1 Круглые кнопки нажатия без подсветки, с выступающей головкой, диаметр 22/25мм
S2PR-E3 Круглые кнопки нажатия с подсветкой, с выступающей головкой, диаметр 22/25мм
S2PR-P1 Кнопки нажатия без подсветки, выступающий тип, диаметр 22/25мм
S2PR-P3 Кнопки нажатия с подсветкой, диаметр 22/25 мм
S2PRS-P1 Квадратные кнопки нажатия без подсветки, выступающего типа
S2PRS-P3 Квадратные кнопки нажатия с подсветкой, выступающего типа
S2SR-S1/S3/5/7/A/C Переключатели пластиковые с короткой ручкой, выступающий тип, диаметр 22/25 мм
S2SR-S2/4/6/8/B/D Переключатели типа "клюв" с длинной ручкой
S2SRN-L Селекторные переключатели с подсветкой, выступающего типа ,с ручкой Shark, 22/25 мм
S2SRN-S Селекторные переключатели без подсветки, выступающего типа ,с ручкой Shark, 22/25 мм
S2TR-P3 Двойные кнопки, выступающий тип, диаметр 22/25 мм
Зуммеры
Принадлежности
Кнопки, переключатели, монтажное отверстие 30 мм
L3RF-L3 Контрольные лампы утопленного типа, плоский плафон, диаметр 30 мм
LQ3RF-L4 Контрольные лампы утопленного типа, плоский плафон, квадратные, 30 мм
S3KF Селекторные переключатели с ключом, утопленный тип, диаметр 30 мм
S3PF-P1 Кнопки нажатия без подсветки, утопленный тип, диаметр 30 мм
S3PF-P3 Кнопки нажатия с подсветкой, утопленный тип, диаметр 30 мм
S3PR-P1 Кнопки нажатия без подсветки, выступающий тип, диаметр 30 мм
S3QPFS-P1 Квадратные кнопки нажатия без подсветки, утопленный тип, 30 мм
S3QPFS-P3 Квадратные кнопки нажатия с подсветкой, утопленный тип, 30 мм
S3SF Селекторные переключатели без подсветки, утопленного типа, стандартная ручка, диаметр 30 мм
S3SFN-L Селекторные переключатели с подсветкой, утопленного типа, ручка Shark, диаметр 30 мм
S3SFN-S Селекторные переключатели без подсветки, утопленного типа, ручка Shark, диаметр 30 мм
Светодиодные индикаторы
Цифровые измерительные приборы (Digital Panel Meter)
M4N Серия - Компактные измерители ИНДИКАТОРЫ (48x24 мм.)
M4NN Улучшенная версия мультиметров серии M4N
M4NS/M4YS Серии - Индикаторы контурного типа
M4V Серия - Измерители для мозаичных панелей управления (75х25 мм.)
M4Y/M4W/M5W/M4M Серии - Вольтметры/Амперметры/Ваттметры
MT4N/MT4Y/MT4W Серии - Мультиметры
MX4W - Цифровые измерительные приборы
Аксессуары для цифровых измерительных приборов
Шаговые двигатели/ Драйвера для шаговых двигателей/ Контроллеры для шаговых двигателей
2-канальные устройства управления
4-канальные устройства управления (платы формата PCI)
AK - Пятифазные шаговые двигатели
MD2U - Драйвера управления двухфазным шаговым двигателем
MD5 - Драйвера управления пятифазным шаговым двигателем
PMC-1HS/2HS Высокоскоростные программируемые контроллеры движения
AiCa Двигатели с драйвером
Энкодеры (датчики углового перемещения)
Абсолютный тип. Выступающий вал (Shaft type)
ENP (Диаметр 60 мм)
EP50S (Диаметр 50 мм)
EP50SP (Диаметр 50 мм. Пластиковый корпус)
EP58SC (Диаметр 58 мм. Зажимной вал)
EP58SS (Диаметр 58 мм. Синхронный вал)
EPM50 (Диаметр 50 мм)
MGA50S Магнитный абсолютный (Диаметр 50 мм)
MGAM50S Абсолютный магнитный многооборотный (Диаметр 50 мм)
Абсолютный тип. Полый вал несквозной (Hollow built-in type)
EP58HB (Диаметр 58 мм)
Аксессуары для энкодеров
Держатель энкодера
Муфты для энкодеров
Шкив энкодера серии ENC (ENC PULLEY)
Инкрементальный тип. Выступающий вал (Type Shaft)
E15S (диаметр 15 мм)
E18S (диаметр 18 мм)
E20S (Диаметр 20 мм)
E30S (Диаметр 30 мм)
E40S (Диаметр 40 мм)
E50S (Диаметр 50 мм)
E58SC Исполнения C,CR,CS. (Диаметр 58 мм. Зажимной вал)
E58SC (Диаметр 58 мм. Зажимной вал. Стандартное исполнение)
E58SS (Диаметр 58 мм. Синхронный вал. Стандартное исполнение)
E58SS Исполнения C,CR,CS. (Диаметр 58 мм. Синхронный вал)
E68S (Диаметр 68 мм)
Инкрементальный тип. Выступающий вал, крепеж на лапах. Серия ENA (Side-mounting type)
Инкрементальный тип. Переносной энкодер с рукояткой. Серия ENHP (Portable type with handle)
Инкрементальный тип. Полый вал (Hollow Shaft Type)
E100H (Диаметр 100 мм)
E40H (Диаметр 40 мм)
E58H Исполнение С. (Диаметр 58 мм)
E58H Стандартное исполнение. (Диаметр 58 мм)
E60H (Диаметр 60 мм)
E80H (Диаметр 80 мм)
E88H (Диаметр 88 мм)
Инкрементальный тип. Полый вал несквозной (Type built-in type)
E20HB (Диаметр 20 мм)
E40HB (Диаметр 40 мм)
E58HB (Диаметр 58 мм)
Инкрементальный тип. С мерным колесом. Cерия ENC. (Measuring Wheel Type)
Инкрементальный тип. С рукояткой. Серия ENH (Manual Handle Type)
Промышленные сети
Системы безопасности (SAFETY) Autonics
Барьеры безопасности SAFETY Autonics
Кабели с разъемом для SAFETY) Autonics
Автоматические и дифференциальные выключатели
Автоматические выключатели с термомагнитным расцепителем, 1-63 А, UL1077
1P - 10 кA
1P+N - 6 кA
2P - 10 кA
3P - 10 кA
4P - 10 кA
Автоматические выключатели с термомагнитным расцепителем, 1-63 А, UL489
1P - 10 кA
2P - 10 кA
3P - 10 кA
Автоматические выключатели с термомагнитным расцепителем, 80-120 А, UL1077
Дифференциальные выключатели
Дифференциальные выключатели с защитой от сверхтока
1P+N - 10 кА, 2 модуля
Дифференциальные модули
Дополнительные блоки и принадлежности для выключателей с термомагнитным расцепителем
Автоматы защиты двигателя
Автоматические выключатели серии LMS25
Автоматические выключатели серии SM1A,SM1B,SM1C
Автоматические выключатели серии SM1P до 40A управление кнопками
Автоматические выключатели серии SM1R до 40A с поворотной ручкой
Автоматические выключатели серии SM1RM до 40A, магнитная защита
Автоматические выключатели серий SM2 и SM3
Выключатели SM1PF с магнитотепловой защитой
Дополнительные блоки и аксессуары для LMS25
Дополнительные блоки и аксессуары для SM1A,SM1B,SM1C
Дополнительные блоки и аксессуары для SM1P, SM1R, SM1RM,SM1RF
Дополнительные блоки и акссессуары для SM2,SM3
Выключатели разъединители Lovato
4-й дополнительный полюс
Выключатели-разъединители серии GA 16-125А
Выключатели-разъединители GA в корпусе
Дополнительные блоки и аксессуары
Пустые корпуса
Трехполюсные выключатели-разъединители Lovato
Выключатели-разъединители серии GE 50-1600А
Дополнительные блоки и аксессуары
Трехполюсные выключатели-разъединители GE
Трехполюсные выключатели-разъединители GE с предохранителем
Трехполюсные переключатели-разъединители GE
Четырехполюсные выключатели-разъединители GE
Четырехполюсные выключатели-разъединители GE для фотогальванических систем
Четырехполюсные выключатели-разъединители GE с предохранителем
Четырехполюсные переключатели-разъединители GE
Выключатели-разъединители серии GL 160-315А
Дополнительные блоки и аксессуары
Выключатели-разъединители 3P
Выключатели-разъединители серии GD
Держатели предохранителей LOVATO
Аксессуары
Держатели предохранителей для AC
Держатели предохранителей для DC для фотогальванических систем
Предохранители для фотогальванических систем
Источники питания LOVATO
PSL - Источники питания, установка на DIN-рейку
PSL1M Модульные источники питания
Балансные модули
Контакторы LOVATO
Вспомогательные контакторы серии BF
Дополнительные блоки и аксессуары для контакторов BF
Аксессуары для контакторов серии BF
Доп.блоки для контакторов серии BF
Дополнительные блоки и аксессуары для контакторов серии B
Аксессуары для контакторов серии В
Доп.блоки для контакторов серии B
Дополнительные блоки и аксессуары для миниконтакторов серии BG
Дополнительные блоки и аксессуары для модульных контакторов CN
Запасные части для контакторов серии BF
Катушки AC для контакторов BF
Катушки DC для контакторов BF
Силовые контакты и дугогасительные камеры для контакторов серии BF
Запасные части для контакторов серии В
Катушки AC и DC для контакторов серии В
Силовые контакты и дугогасительные камеры для контакторов серии В
Миниконтакторы серии BG
Вспомогательные миниконтакторы типа BG00
Трехполюсные миниконтакторы
Четырехполюсные миниконтакторы
Четырехполюсные миниконтакторы с 2НО и 2НЗ полюсами
Модульные контакторы с ручным управлением CNM
Модульные контакторы серии CN
Трехполюсные контакторы серии B
Трехполюсные контакторы серии BF
Четырехполюсные контакторы серии B
Четырехполюсные контакторы серии BF
Контакторы для компенсации реактивной мощности
Аксессуары для контакторов BFK
Тип 11BF-K (38-60 кВАр) (с токоограничивающими резисторами)
Тип 11BF-K (400V = 75kvar ) (с токоограничивающими резисторами)
Тип BFK (7.5-30 кВАр) (с токоограничивающими резисторами)
Тип BFK (макс. мощность 40-100 kvar) (с токоограничивающими резисторами)
Контроллеры управления АВР
Концевые выключатели LOVATO
Аксессуары для концевых переключателей
Блоки вспомогательных контактов
Кожухи в комплекте со вспомогательными контактами
Прочие аксессуары для концевых выключетелй
Рабочие головки концевых выключателей для серий KB, KM, KC, KN
Канатные концевые выключатели
Металлические концевые выключатели серии PL
Металлические концевые выключатели серии КP
Ножные выключатели серии К
Пластиковые микровыключатели
Пластиковые серии KB, KC и металлические серии KM, KN - концевые выключатели
Всенаправленный рычаг-эксцентрик M1, M2
Керамический рычаг-стержень H1
Нажимной толкатель A1
Нажимной толкатель с роликом B1, B2
Регулируемый рычаг с роликом F1, F2, F3, F4
Регулируемый рычаг-стержень L1, L2
Рычаг-планка N1, N2, N3, N4
Рычажный толкатель с боковым роликом D1, D2, D3, D4
Рычажный толкатель с роликом E1, E2
Рычажный толкатель с центральным роликом C1, C2
Шарнирный рычаг P1, P2, P3
Щелевой рычаг Q1
Пластмассовые концевые выключатели серии T (стандарт EN 50041)
Предохранительные выключатели с соленоидом и отдельным приводом
Кулачковые выключатели LOVATO
Аксессуары для кулачковых выключателей
Кулачковые переключатели серии GN (Блок контактов с круглым исполнение)
Кулачковые переключатели серии GX (Блок контактов в квадратном исполнении)
Модули расширения и аксессуары
Аксессуары
Модули расширения EXM для модульных устройств
Модули расширения EXP для встраиваемых устройств
Приборы автоматического управления дизель-генераторной установкой
Автоматические зарядные устройства
Панели автоматического управления дизель-генераторной установкой
Программируемые логические реле
HMI
Аксессуары
Базовая версия
Модули расширения и связи
Наборы
Программное обеспечение и приложения Synergy
Пускатели плавного пуска серии ADX
Пускатели плавного пуска серии ADXNB
Регуляторы реактивной мощности
Запасные части и аксессуары для регуляторов реактивной мощности
Регуляторы реактивной мощности серии DCRG
Регуляторы реактивной мощности серии DCRJ
Регуляторы реактивной мощности серии DCRK
Регуляторы реактивной мощности серии DCRL
Регуляторы реактивной мощности серии DRCM
Тиристорные модули
Реле времени
Аксессуары для реле времени
Реле времени извлекаемого и встроенного типа, 48 х 48 мм
Реле времени серии TM, модульный корпус (1 модуль), монтаж на DIN-рейку 35 мм
Реле времени, крепление на DIN- рейку 35мм
Реле защиты
Реле защиты насосов, исполнение в модульном корпусе DIN43880
Реле напряжение для однофазной сети, исполнение в модульном корпусе DIN43880
Реле напряжения для трехфазной сети, исполнение в модульном корпусе DIN43880
Реле сдвига фаз
Реле тока для однофазной сети, исполнение в модульном корпусе DIN43880
Реле частоты, исполнение в модульном корпусе DIN43880
Система защиты интерфейса, стандарт G59 (ENA)
Система защиты устройств сопряжения по стандартам SHAMS DUBAI - DRRG, версия 2.0
Система защиты устройств сопряжения согласно стандарту CEI 0-21
Принадлежности для PMVF20 и PMVF30
Сети низкого напряжения
Сети среднего напряжения
Система защиты устройств сопряжения согласно стандарту CEI 0-22
Принадлежности для систем защиты устройств сопряжения
Сети среднего напряжения
Реле защиты двигателя
Дополнительные блоки и аксессуары для тепловых реле
Тепловые реле для контакторов серии B, без контроля обрыва фазы
Тепловые реле для контакторов серии B, с контролем обрыва фазы
Тепловые реле для контакторов серии BF без контроля обрыва фазы
Тепловые реле для контакторов серии BF с контролем обрыва фазы
Тепловые реле для миниконтакторов серии BG без контроля обрыва фазы
Тепловые реле для миниконтакторов серии BG с контролем обрыва фазы
Тепловые реле термисторные
Электронные тепловые реле
Реле контроля тока утечки на землю
Внешний умножитель
Реле контроля тока утечки на землю с двумя порогами срабатывания
Реле контроля тока утечки на землю с одним порогом срабатывания
Тороидальные трансформаторы тока
Реле контроля уровня провод.жидкости
Аксессуары для реле контроля уровня и электродов
Зонды и держатели электродов. Электроды
Модульные реле контроля уровня проводящих жидкостей
Модульные реле приоритета включения для 2-х двигателей
Поплавковые переключатели
Реле контроля уровня проводящих жидкостей, крепление на переднюю панель
Реле приоритета включения, крепление на переднюю панель
Сигнальные световые колонны и лампы
Аксессуары и запасные части для сигнальных колонн и ламп, 70 мм.
Аксессуары и запасные части для сигнальных ламп, 62 мм.
Аксессуары и запасные части только для сигнальных световых колонн диаметром 70мм
Лампы сигнальные диаметр 62 мм
Многоцветные световые колонны диаметр 70 мм
Сигнальные световые колонны диаметр 45 мм
Сигнальные световые колонны диаметр 70 мм
Устройства защиты от перенапряжения
Устройства управления и сигнализации (кнопки, переключатели)
8LM Аксессуары и запасные части для устройств управления и сигнализации
8LM Дополнительные блоки для кнопок и переключателей
Держатели ламп сигнальных (без монтажного переходника)
Монтажный переходник и Блоки контактов для серии 8LM
Светодиодные лампы с держателем, без монтажного переходника
Этикетки с надписью для держателей LM2T AU100
8LM.Металлические кнопки и переключатели, диаметр 22 мм.
Головки светосигнальных устройств
Грибовидные кнопки
Грибовидные кнопки с подсветкой
Двойные кнопки нажатия, сблокированные, с белой подсветкой
Джойстики
Кнопки двойного нажатия ( с фиксацией), с подсветкой
Кнопки двойного нажатия (с фиксацией)
Кнопки нажатия (без фиксации)
Кнопки нажатия с подсветкой (без фиксации)
Кнопки нажатия с символами (без фиксации)
Переключатели
Переключатели с ключом
Переключатели с подсветкой
Рукоятка потенциометра, с монтажным переходником
Тройные кнопки нажатия с пружинным возвратом
8LP Пластиковые кнопки и переключатели, диаметр 22 мм.
Грибовидные кнопки, пластиковые
Двойные кнопки сблокированные, с белой подсветкой, пластиковые
Кнопки двойного нажатия, фиксированные, с подсветкой, пластиковые
Кнопки нажатия пластиковые (без фиксации)
Кнопки нажатия с подсветкой, без фиксации, пластиковые
Кнопки нажатия с символами, без фиксации, пластиковая
Моноблочные устройства серии 8LP2
Переключатели с подсветкой, пластиковые
Пульты управления серии 8LP2
Монтажный переходник серии 8PL2
LPC Кнопки и переключатели серии Platinum, диаметр 22 мм
LPX Контактные элементы и монтажный переходник
Аксессуары и запасные части
Головки светосигнальных устройств
Грибовидные кнопки
Грибовидные кнопки с подсветкой
Двойные кнопки нажатия
Двойные кнопки нажатия с белой подсветкой
Держатели сигнальных LED ламп постоянного и мигающего свечения
Интерфейсы связи USB и RJ45
Кнопки двойного нажатия
Кнопки двойного нажатия с подсветкой
Моноблочные зуммеры
Моноблочные потенциометры
Нажимные кнопки без фиксации LPCB
Нажимные кнопки без фиксации с подсветкой LPCBL
Нажимные кнопки с пружинным возвратом, в комплекте с монт. переходником и стержнем
Переключатели с длинным рычагом
Переключатели с ключом
Переключатели с подсветкой
Переключатели с рукояткой
Переключатели с цилиндрической ручкой
Пластиковые диски для грибовидных кнопок
Тестеры для светодиодных индикаторов непрерывного свечения
Тройные кнопки нажатия
Нажимные кнопки с пружинным возвратом, в комплекте с монт. переходником и стержнем
LPF - Металлические кнопки и переключатели с тонким профилем серии Platinum 30 мм
LPS Металлические кнопки и переключатели серии Platinum 22 мм
LPSQ - Нажимные кнопки с фиксацией
Аксессуары и запасные части для серии LPS
Грибовидные кнопки
Грибовидные кнопки с подсветкой
Двойные кнопки нажатия
Двойные кнопки нажатия с белой подсветкой
Колпачки световых индикаторов
Нажимные кнопки без фиксации
Нажимные кнопки без фиксации с подсветкой
Нажимные кнопки без фиксации с символами
Нажимные кнопки для механического управления в комплекте с тягой, без фиксации
Нажимные кнопки с фиксацией с подсветкой
Переключатели с длинным рычагом
Переключатели с ключом
Переключатели с рукояткой
Переключатели с рукояткой с подсветкой
Переключатели с цилиндрической ручкой
Тройные кнопки нажатия
LPSJ - Джойстики металлическая серия 22мм
LPZ Пульты управления
LPX Однокнопочные пульты управления
LPZ Корпуса пультов управления
Устройства светосигнальные моноблочные
LP Сирены моноблочные
LPM Моноблочные светодиодные индикаторы непрерывного свечения
Цифровые измерительные приборы и трансформаторы тока
Аксессуары
Концентратор данных
Модульные мультиметры на 47 и 251 параметр измерения, LED дисплей
Программное обеспечение для приборов DMK
Счетчики энергии
Трансформаторы тока
Цифровые мультиметры на 47 и 251 параметр измерения LCD дисплей
Цифровые мультиметры на 47 и 251 параметр измерения светодиодная индикация
Цифровые однофазные измерительные приборы исполнение "крепление на дверь"
Цифровые однофазные измерительные приборы модульного исполнения
Цифровые трехфазные измерительные приборы исполнение "крепление на дверь"
Цифровые трехфазные измерительные приборы модульного исполнения
Анализаторы мощности и система контроля энергии EASY BRANCH
Электромеханические пускатели
Аксессуары
Пускатели "звезда-треугольник" в изолированном корпусе
Пускатели "звезда-треугольник" в открытом исполнении
Пускатели прямого пуска без теплового реле в изолированном корпусе
Пускатели прямого пуска с авт. выключателем защиты двигателя в изол. корпусе
Пускатели прямого пуска с тепловым реле в изолированном корпусе
Пустые изолирующие корпуса
Собранные переключатели
Собранные реверсивные пускатели
Электронные пускатели
Реле безопасности
Raventek - Светосигнальные колонны и маячки
Аксессуары и принадлежности для датчиков Lanbao
Инструменты
Распределительные коробки
Датчики давления газа
Датчики контрастной метки LANBAO
Емкостные датчики
CE серия - Прямоугольные емкостные датчики
CE10 и CE15 серии - для определения жидкости в пластиковых трубках
CQ серия - Цилиндрические пластиковые емкостные датчики
CR серия - Цилиндрические металлические емкостные датчики
Замки безопасности
Индуктивные датчики
FN серия - Датчики Холла
FT серия - Магнитные герконовые датчики
FY серия - Индуктивные датчики высокой частоты срабатывания до 25 кГц
LE серия - Индуктивные датчики в металлическом прямоугольном корпусе
LR - с выходом NAMUR индуктивные датчики
LR - Устойчевые к высокому давлению 500 Bar индуктивные датчики
LR серия - Индуктивные датчики в гладком металлическом цилиндрическом корпусе
LR серия - Индуктивные датчики в цилиндрическом корпусе с резьбой
LT серия
Концевые выключатели LANBAO
Лазерные датчики расстояния
Лазерные датчики смещения
Магнитные датчики для пневмоцилиндров
Оптоволоконные датчики
Реле безопасности LANBAO
Рефлекторы и кронштейны
Световые завесы
Световые завесы безопасности
Сканеры Штрих-кодов - LANBAO
Соединительные кабели и разъемы LANBAO
Ультразвуковые датчики LANBAO
Фотоэлектрические датчики
PSE-L Оптический лазерный датчик серия
CPES серия -Датчики цвета
PBA серия - Фотодатчики диффузные
PR серия - Фотодатчики в цилиндрическом корпусе M12, M18, М30
PSC серия - Фотодатчики в компактном прямоугольном корпусе
PSE серия - Оптические датчики в компактном прямоугольном корпусе
PSW серия - Однолучевые световые барьеры
PSF серия - Оптические датчики в прямоугольном корпусе
PSM серия - Фотодатчики компактные металлические в цилиндрическом корпусе M18
PSR серия - Фотодатчики в прямоугольном корпусе с резьбовым соединением M18
PSS серия - Фотодатчики компактные в пластиковом цилиндрическом корпусе M18
PST серия - Фотодатчики миниатюрные в прямоугольном корпусе
PSV серия - Фотодатчики в плоском корпусе
PTB серия - Фотодатчики в прямоугольном корпусе 75x60x25 мм
Излучатели оптических датчиков
PTE серия - Фотодатчики в прямоугольном корпусе 50x50x18 мм
PTF серия - Фотодатчики в прямоугольном пластиковом корпусе 50x50x17 мм
PTL серия - Фотодатчики в прямоугольном корпусе 88x65x25 мм
PU серия - Фотодатчики щелевые и U-образные
Датчики кромки и ширины
Щелевые датчики этикеток (оптические, ультразвуковые) LANBAO
Энкодеры абсолютные
Энкодеры инкрементальные LANBAO
DIAView - SCADA системы
Датчики Delta
DPA / DPB Цифровые датчики давления воздуха
IS M12 / M18 Индуктивные датчики
LD Лазерные датчики смещения
PS-F / PS-L Оптические датчики, плоский тип
PS-M Оптические датчики, тип M18
PS-R Оптические датчики, стандартный тип
Аксессуары для датчиков
Источники питания Delta
DRF Промышленные источники питания
Chrome (DRС) Компактные источники питания с креплением на DIN-рейку
DRB / DRR / DRU Модули резервного питания
DRL (Lyte) Источники питания с креплением на DIN-рейку
DRM Высококачественные источники питания для ответственных применений с креплением на DIN-рейку
DRP (CliQ, CliQII) Источники питания с креплением на DIN-рейку
DRV Высококачественные источники питания с экраном, крепление на DIN-рейку
DVPPS Источники питания для контроллеров Delta
PMC Промышленные источники питания для монтажа на панель
PMT2 Промышленные источники питания для монтажа на панель, c уменьшенной высотой и улучшенными харак
PMU Источники питания с интегрированным ИБП, крепление на панель
SYNC (DRS) Ультракомпактные источники питания
Панели оператора
DOP-100 Новое поколение экономичных панелей оператора
DOP-B Сенсорные панели оператора с высококачественным изображением
DOP-H Универсальный выносной пульт управления
DOP-W Панели оператора с большой диагональю экрана и широким спектром возможностей
TP Простые текстово-графические терминалы с монохромным дисплеем и пленочной клавиатурой
TP04P Текстово-графический терминал со встроенным ПЛК
TP70P Сенсорные панели 7", встроенный ПЛК
Аксессуары для операторских панелей
Преобразователи частоты Delta
C2000 Универсальные векторные преобразователи частоты
CFP2000 Преобразователи частоты для насосов и вентиляторов с классом защиты IP55
CH2000 Преобразователи частоты для подъемно-транспортного оборудования и тяжелых нагрузок
CP2000 Для управления двигателями насосов и вентиляторов с широким диапазоном мощностей
MS300 Универсальные компактные преобразователи частоты
VFD-B Универсальные преобразователи частоты общего назначения
VFD-DD Преобразователи частоты для электропривода дверей лифта
VFD-E Компактные векторные преобразователи частоты
VFD-ED Улучшенные преобразователи частоты для лифтов
VFD-EL Экономичная серия компактных преобразователей частоты
VFD-L Простые и миниатюрные преобразователи частоты
Аксессуары для преобразователей частоты
RXHG - Тормозные резисторы проволочные
RXLG Тормозные резисторы в алюминиевом корпусе
Аксессуары для MS300 Коммуникационные карты, кожухи NEMA 1, наборы для крепления на DIN-рейку и др.
Интерфейсные модули
Платы расширения
Платы энкодеров
Пульты
Радиочастотные фильтры
Соединительные кабели
Тормозные модули
Тормозные резисторы серии BR
VFD-ME300
Программируемые логические контроллеры
AS300 / AS200 Высокопроизводительные ПЛК модульного типа
DVP-EC3 Экономичный, нерасширяемый контроллер для цикловой автоматики
DVP-ES2/EX2 Стандартные ПЛК для простых применений
DVP-ES3 Высокопроизводительный контроллер серии DVP
DVP-MC Сетевой контроллер движения по протоколу CANOpen
DVP-PM Специализированный ПЛК блочного типа для управления движением
DVP-SA2 2-е поколение компактных ПЛК с расширенными возможностями
DVP-SE Компактный ПЛК с сетевыми возможностями
DVP-SS2 2-е поколение компактных ПЛК стандартной серии
DVP-SV2 Высокопроизводительный компактный ПЛК с двумя шинами расширения
DVP-SX2 2-ое поколение компактных ПЛК со встроенными аналоговыми входами/выходами
Модули расширения и аксессуары
Аксессуары для ПЛК
Модули расширения для SS, SA, SX, SV, SC
Модули расширения для DVP-PM, DVP-MC
Модули расширения и аксессуары для DVP-ES2/EX2
Удаленные модули для контроллеров DVP
Универсальные коммуникационные модули
AX-3 Многофункциональные контроллеры
Промышленные коммутаторы Ethernet
DVS-005 Неуправляемые коммутаторы Ethernet 5-ти портовые
DVS-008 Неуправляемые коммутаторы Ethernet 8-ми портовые
DVS-016 Неуправляемые коммутаторы Ethernet 16-ти портовые
DVS-108/109/110 Управляемые коммутаторы Ethernet, комбинированные порты
DVS-328 Управляемые промышленные коммутаторы Ethernet с портами FE и GbE Combo SFP
DVS-G40 Неуправляемые коммутаторы Ethernet c поддержкой технологии PoE
LCP Оптические SFP-трансиверы
R1 Станции удаленного ввода/вывода по сети EtherCat
Роботы-манипуляторы
ASD-MS Контроллер для роботизированных систем
SCARA Роботы-манипуляторы
Сервоприводы Delta
ASD-**-F Сервоприводы для систем ЧПУ Delta
ASD-A2 Многофункциональные высокопроизводительные сервоприводы переменного тока
ASD-A2-E Сервоприводы с интерфейсом EtherCAT
ASD-B2 Стандартные сервоприводы общего назначения
ASD-B3 Стандартные сервосистемы нового поколения
MSL Серводвигатели
PS / PA / FA Прецизионные планетарные редукторы
Аксессуары для сервоприводов Delta
ASD-A3
ASD-E
Системы ЧПУ
NC-E Контроллеры ЧПУ
NC200 Система ЧПУ для токарных станков
NC300 Система ЧПУ для обрабатывающих центров и фрезерно– сверлильно–расточных и других станков
Аксессуары для систем ЧПУ
Таймеры, счетчики, измерители Delta
Температурные контроллеры Delta
DT3 Новое поколение температурных контроллеров
DTA Терморегуляторы стандартной серии
DTB Терморегулятор с расширенными возможностями
DTC Терморегуляторы модульного типа
DTE Многоканальные регуляторы температуры
DTK Экономичная серия нового поколения
DTV Контроллер для управления задвижками
DTM Модульные многоканальные температурные контроллеры с монтажом на DIN-рейку
Техническое зрение
DMV2000 Системы машинного зрения
VIS100 Смарт-камеры для систем машинного зрения
Энкодеры Delta
Преобразователи частоты OptimusDrive
Аксессуары для ПЧ Optimus
Серия AD800 - Универсальные преобразователи частоты модульной конструкции
Серия AD800B - Универсальные преобразователи частоты
Серия AD20 Optimus Drive
Серия AD30 Преобразователи частоты
Серия AD80 - Универсальные преобразователи частоты
Серия AD800P
KEDITE термопары
ROUNDSS_Энкодеры, муфты, штурвалы
VEICHI - Серводвигатели и блоки управления
VEICHI Servo
Veichi 1ф 0,1-0,2кВт
Veichi 1ф 0,4кВт
Veichi 1ф 0,75 - 1,0кВт
Veichi 1ф 1,0-1,5кВт
Veichi 3ф 1,0кВт
Veichi 3ф 1,5 - 2,6кВт
Veichi 3ф 2,9-3,8кВт
Veichi 3ф 4,4кВт
Veichi 3ф 5,5кВт
Veichi 3ф 7,5-11кВт
Veichi 3ф 15,0кВт
Veichi 3ф 22,0кВт
Veichi 3ф 30,0кВт
Veichi 3ф 37,0кВт
Veichi 3ф 45-55,0кВт
Veichi 3ф 90,0-110,0кВт
Аксессуары для Servo Veichi
кабели для Энкодеров Vch
Прочие servo аксессуары Vch
Силовые кабели для двигателей (мотор UVW) Vch
SD700 - Серводвигатели
Сервоусилители SD780
Сервопривод шпинделя серии SD500 VEICHI
Шпиндельные серводвигатели CM VEICHI
Дроссели сетевые/моторные
Однофазные сетевые дроссели
Синус-фильтры Elhand
Трехфазные моторные дроссели
Трехфазные сетевые дроссели
Устройства плавного пуска OptimusDrive
УПП SSD660-Ru - без байпаса
УПП SSD700-Ru со встроенным байпасом
УПП SSD360-Ru c встр. байпасом
OPTIMUS DRIVE продукты
HIK Camera
CMOS камеры
Аппаратные ключи VISION MASTER
Видеоконтроллеры
Монтажные комплекты
Объективы
Освещение
Прочие камеры
Смарт-камеры
Считыватели кодов
яКОМПЛЕКТЫ (камера+объектив)
HNC CNC-ЧПУ Китай
HOWCORE фильтры
HOWCORE Радиочастотные фильтры
Howcore, Синус-фильтры
OptimusDrive HMI Панели оператора
Архив
OptimusDrive Коммутаторы
OptimusDrive КОНТРОЛЛЕРЫ
ME200 - Контроллеры
MH1000 - Контроллер движения
HCFA Контроллеры семейства Q
Блочные контроллеры C/T/H OptimusDrive
MX300 Контроллеры серии
Модульные контроллеры AC/AT/AH OptimusDrive
я_Архив
OptimusDrive Свичи + Разветвители NoName
Ассесуары для сервоприводов Optimus
Разное OptimusDrive
Планетарные редукторы Optimus Drive
Сервоприводы Optimus
Аксессуары для Servo OSD-G
Аксессуары для Servo OSD-H
Промышленные коммутаторы Ethernet серии ODS OptimusDrive
Температурные контроллеры OptimusDrive
Контроллеры АТ
Температурные контроллеры серии AI-208/226
Температурные контроллеры серии AI-7028/7048
Температурные контроллеры серии AI-828
Температурные контроллеры тип AI-828A (96x96)
Температурные контроллеры тип AI-828A9 (96x96)
Температурные контроллеры тип AI-828D (72x72)
Температурные контроллеры тип AI-828D61 (48x48)
Температурные контроллеры тип AI-828D7 (22.5x100x112 DIN Rail)
Температурные контроллеры тип AI-828E3 (48x96)
Температурные контроллеры тип AI-828F (96x48)
FORNAZZO - полный аналог MUCCO
SNT-70 Светосигнальные колонны
Двухсекционные светосигнальные колонны
Монтаж на горизонтальную поверхность
Односекционные светосигнальные колонны
Монтаж на горизонтальную поверхность
Настенный монтаж
Пятисекционные светосигнальные колонны
Монтаж на горизонтальную поверхность
Трехсекционные светосигнальные колонны
Монтаж на горизонтальную поверхность
Четырехсекционные светосигнальные колонны
Монтаж на горизонтальную поверхность
SNT-74 Сигнальные лампы RGB
SNT-B7 - Только сирены
SNT-B71 - Светодиодные электронные сирены с 2 тонами
Запчасти, аксессуары, принадлежности
Сигнальные маяки
Авиационные сигнальные лампы с солнечными панелями
Авиационные сигнальные лампы, монтаж на платформу со стойкой
Авиационные сигнальные лампы, монтаж на поверхность
Авиационные сигнальные лампы, настенный монтаж
Аккумуляторные сигнальные маяки
Двойная авиационная сигнальная лампа
Двойные универсальные сигнальные маяки
Магнитные сигнальные маяки с разъемом для прикуривателя
Маяки сигнальные для подключения телефона
Мощные светодиодные прожекторы для кранов и погрузчиков
Светодиодные светильники для станков
Сигнальные лампы для сложных условий, в алюминиевом корпусе
Сигнальные лампы для сложных условий, в алюминиевом корпусе со стойкой
Сигнальные маяки 100 мм с датчиком освещенности
Сигнальные маяки 90 мм с датчиком освещенности
Сигнальные маяки на солнечных батареях
Сигнальные маячки 100 мм с расширенным диапазоном питания 24-230VAC/VDC
Сигнальные маячки 100 мм, куполовидные, монтаж на поверхность
Сигнальные маячки 125 мм с расширенным диапазоном питания 24-230VAC/VDC
Сигнальные маячки 125 мм, куполовидные, монтаж на поверхность
Сигнальные маячки 70 мм, куполовидные, монтаж гайкой 22 мм
Сигнальные маячки 70 мм, куполовидные, монтаж на поверхность
Сигнальные маячки 90 мм с расширенным диапазоном питания 24-230VAC/VDC
Сигнальные маячки 90 мм, цилиндрический корпус, монтаж на поверхность
SNT-E - Промышленные сигнальные сирены
R2G - реле низкопрофильные 1- полюсные
R2G - реле низкопрофильные 2-х полюсные, 8A
RFT1 - реле 1 полюсные 12А
RFT2 - реле 2-х полюсные 8А
RKE4 - реле промежуточное 4CO, 5A
RKF2 - реле промежуточное, 2CO, 12A
RKF4 - реле промежуточное 4CO, 6A
RKL - реле силовые
RNC - Интерфейсные реле 6A, 1CO
RSCA - Интерфейсные реле, твердотельное 2A, 1НО
RUB3 - Реле промежуточные 3-х полюсное. 10A, цоколь 11 pin
SKC, SKF, колодки для реле серии RKF
SRB, SRC колодки для двух полюсных реле серии R2G
SRT05, SRU05 колодки для реле RFT1 - 1 полюсных до 16A
SRT08, SRU08 колодки для реле RFT2 2-х полюсных до 10A
Колодки, клипсы, перемычки, гребенки Shenler
Маркировка для реле Shenler
HMI Панели оператора и панельные ПЛК
HMI Панели оператора кнопочные монохромные OP
Аксесуары для панелей оператора
Модули расширения и аксесуары для ZG/ZP
Панели HMI серии TS
Панели оператора сенсорные TG, TS
Панельные контроллеры XP3
Панельные контроллеры ZG3
ПЛК серии XL и XD
Аксесуары для ПЛК
Модули расширения серии XD
Модули расширения серии XL
ПЛК серии XD
ПЛК серии XL
Преобразователи частоты XINJE
VH5
VH6
VHL
Аксесуары и доп. модули для VH5
Аксесуары и доп. модули для VH6
VH1
Сервоприводы и серводвигатели
Модули ввода-вывода
ПЛК серии XSLH на CODESYS
Маячки Emas
Моноблоки EMAS
Сигнальные колонны EMAS
Кнопки, переключатели, сигнальные лампы EMAS
Кнопочные посты EMAS
Концевые выключатели, педали EMAS
Кулачковые переключатели EMAS
Разное EMAS
A3 Фотодатчики с универсальным питанием
DSC/ TSC/ EPS/ TPS Цифровые программируемые регуляторы мощности
MS-02W Маркерные фотодатчики с автонастройкой
PS / PM Индуктивные датчики
WE Линейные энкодеры с мерным колесом
Таймеры, счетчики
Твердотельные реле FOTEK
HPR Однофазные твердотельные реле со встроенной защитой от перегрева и контролем перехода через 0
SSR Однофазные твердотельные реле
TSR Трехфазные полупроводниковые реле
Аксессуары для твердотельных реле Fotek
Радиаторы
Фотодатчики
Панели оператора
Преобразователи частоты Kinco
Контроллеры KINCO
Косинусные конденсаторы
Контакторы
Дроссели
Конденсаторы трехфазные для компенсации реактивной мощности (КРМ ZEZ Silko)
Конденсаторы трехфазные для компенсации реактивной мощности
Пусковые конденсаторы
Амперметры 1-фазные
Амперметры 3-х фазные
Вольтметры 1-фазные
Вольтметры 3-х фазные
Мультиметры Elecnova
DIN-рейка, монтажные короба
Защита от импульсных перенапряжений TRABTECH
Защита от перенапряжений
Инструменты
Кабели
Кабельные наконечники, стяжки
Клеммы
Корпуса
Маркировка
Монтажный и установочный материал
Перемычки
Преобразователи сигналов INTERFACE
Разъемы
Реле
Системы ввода-вывода
Трансформаторы тока
Электротехнические клеммы/Промышленные разъемы
Блоки питания
Распродажа WeidMuller
Безэкранные NMI Weintek cMT
Карты активации Weintek
Модули связи и удаленного ввода-вывода Weintek iR
Контроллеры Weintek
Панели оператора Weintek
EDP Цифровые потенциометры
EPDA1 - 1-фазные ТТР без радиатора
ERDA1 - 1-фазные ТТР на DIN-рейку, с радиатором
ПИД-регуляторы ENDA
Неликвиды LSIS
Двухфазные твердотельные реле
Крышки на реле
Однофазные твердотельные реле
SGD-реле AC с симисторным выходом
SGDF- составное реле
SGDH -реле переменного тока с SCR выходом
Радиаторы для твердотельных реле
Реверсивные твердотельные реле до 7кВт
Регулируемые твердотельные реле
Твердотельные реле постоянного тока
Трехфазные твердотельные реле
SGT-реле переменного тока с симисторным выходом
SGTH-реле переменного тока с SCR-выходом
Войти
Логин
Пароль
Запомнить меня
Войти
Забыли пароль?
Регистрация
0
Избранное
0
Корзина
Главная
Каталог товаров
Autonics Corporation (Корея)
Температурные контроллеры Autonics
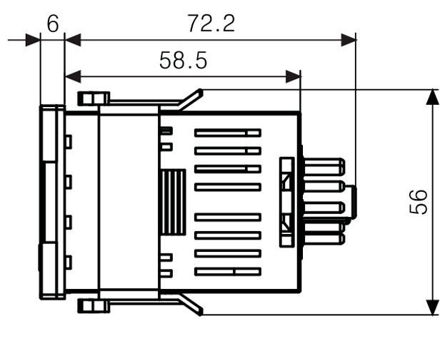
TС Экономичная серия с одним дисплеем
TC4SP-N2N Температурный контроллер
TC4SP-N2N Температурный контроллер